NAME – 40x53mm M918 Practice
NAME (COMMON) – M918 TP
CALIBER – 40x53mm SR
TYPE – Target practice round with marking warhead
YEAR OF INTRODUCTION –
COUNTRY OF ORIGIN – USA
IDENTIFYING COLOR CODE – Projectile is blue with black markings and 1 brown band below the ogive, ogive is blue with 1 annular groove below nose, unpainted copper rotating band cartridge case is green with yellow markings
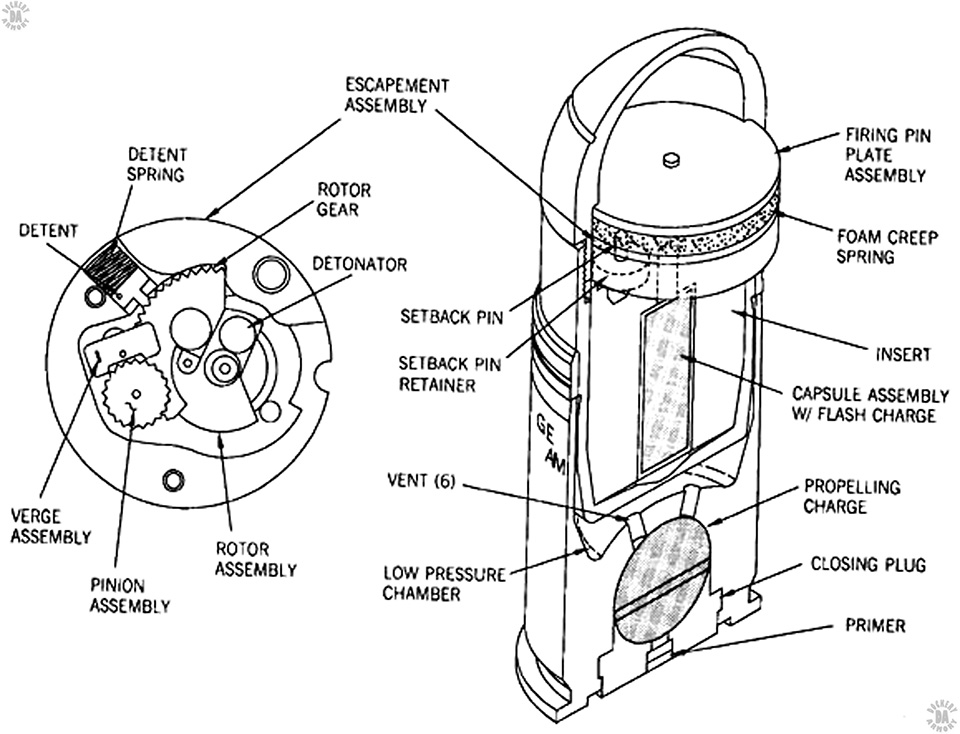
CASE TYPE – M169 Semi-rimmed straight
CARTRIDGE LENGTH – 11.22 cm (4.42 in)
CASING LENGTH – 53 mm (2.09 in)
CASE HEAD DIAMETER – 41.3 mm (1.62 in
CASE RIM DIAMETER – 43.6 mm (1.716 in)
PROJECTILE TYPE – Steel projectile body with central aluminum capsule containing flash charge
PROJECTILE DIAMETER – 41.20 mm (1.623 in) at rotating band
PROJECTILE WEIGHT – 0.245 kg (8.64 oz)
POWDER WEIGHT – 4.20 g (64.82 grains) M2 Propellant
FILLER – Pyrotechnic flash charge composition
FILLER WEIGHT – 0.001 kg (0.04 oz)
FUZE TYPE – M550
CASING WEIGHT – 0.095 kg (3.35 oz)
TOTAL ROUND WEIGHT – 0.34 kg (12 oz)
MUZZLE VELOCITY – 244 m/s (795 fps)
NOMINAL BARREL LENGTH – 41.3 cm (16.26 in)
MINIMUM (ARMING) RANGE – 18 to 30 m (59 to 98 feet)
MAXIMUM RANGE – 2,195 m (2,400 yards)
EFFECT – Flash and loud report on impact
MANUFACTURER –
STATUS – Production
SERVICE – US Military and Allies







